0755-33653221
欢迎光临深圳市PA捕鱼科技官网

在线
客服

在线客服服务时间:9:00-22:00

技术
热线

131-4842-9910
7*12小时客服服务热线

顶部
当前位置:网站首页 > 产品中心 > dc dc降压芯片 > 24v降压芯片 正文 24v降压芯片

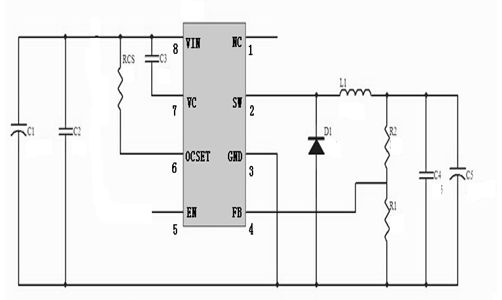
24v转12v,电路图及电源模块

PA捕鱼科技 2023-03-17 15:22:35 24v降压芯片 2943 ℃ 2 评论

产品名称:24v转12vDC-DC降压模块

24v转12v,电路图及电源模块,第1张

 

 

输    入:8V-40V

 

输    出:12V/2A

 

转换效率:92%

 

开关频率:180KHZ

 

工作温度:-40℃-+85℃

 

负载能力:最大输出3.5a,可2A长跑
24v转12v,电路图及电源模块,第2张

 

适用范围:移动电源 、手机、平板等usb5V供电的设备
24v转12v,电路图及电源模块,第3张

注:此为降压模块 ,输入电压必需比输出电压高 。

       输出2A以下可以长时间不用加散热片 输出电流大于2.5A长时间工作请加散热片.
       
深圳PA捕鱼科技其他应用:24v转5芯片





推荐阅读:

电动车48v和60v区别

双节锂聚合物电池充电管理芯片

5v升压12v1000MA电源模块_5v到12v升压模块

本文标签:#24v转12v#24v转12v芯片#24v转12v电源模块#电源模块#降压模块

版权说明:如非注明,本站文章均为 深圳市PA捕鱼科技有限公司-220v转12v|220v转5v|电源模块|升降压芯片 原创,转载请注明出处和附带本文链接

深圳市PA捕鱼科技提供:220v转12v、220v转5v芯片、电源模块、 升降压芯片、无线发射ic、PWM调光芯片、收音ic及电路图,专业 的DCDC电源方案商,如需咨询请联系深圳市PA捕鱼电子

在线
客服

在线客服服务时间:9:00-22:00

技术
热线

131-4842-9910
7*12小时客服服务热线

顶部
PA捕鱼



  • 网站地图