• 0755-33653221
    欢迎光临深圳市PA捕鱼科技官网

    在线
    客服

    在线客服服务时间:9:00-22:00

    技术
    热线

    131-4842-9910
    7*12小时客服服务热线

    顶部
    当前位置:网站首页 > 最新方案 正文 最新方案

    75v转5v3A,恒流降压芯片/电源模块

    PA捕鱼科技 2023-03-17 11:54:33 最新方案 624 ℃ 3 评论

    概述

     

    特点

      AH8731是一款高精度降压型大功率LED恒流驱动芯片。适用于输入电压100V以内的大功率LED恒流驱动电源 。
     

      专利的高端电流检测 、固定频率、电流模PWM控制方式,具有优异的线性调整率和负载调整率。
     

      芯片采用的特有恒流控制方式 ,使得LED输出电流精度达到±3%以内。
     

      芯片内部集成的抖频功能可降低EMI成本 。
     

      内置环路补偿与斜坡补偿,无需外部补偿,应用设计简单。
     

      芯片典型工作频率约200KHz。
     

      采用SOT23-5封装 。
    75v转5v3A,恒流降压芯片/电源模块,第1张
                                          电源模块

     

     

     高端电流检测

     输出电流:小于3a

     输入电压:6~100V

     LED均值电流控制:恒流效果好

     LED输出电流精度:±3%

     高效率:最高可达95%以上

     电流模PWM控制

     固定工作频率

     抖频功能

     内置环路补偿、斜坡补偿

     芯片供电欠压/过压保护
    75v转5v3A,恒流降压芯片/电源模块,第2张
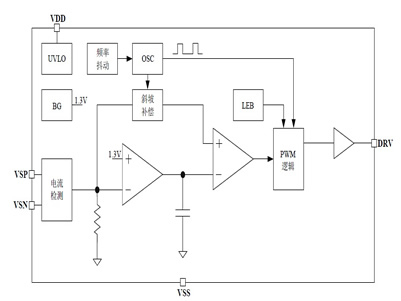
                                         内部结构图

    应用领域

     LED射灯 、路灯及其它LED照明

    75v转5v3A,恒流降压芯片/电源模块,第3张



    推荐阅读:

    最新12v转5v芯片电路图,AH8601电源模块

    LED芯片-太阳能的原理

    12v升24v1A-升压ic-升压模块

    本文标签:#75v转5v3A#75v转5v#60v转5v#电源模块

    版权说明:如非注明,本站文章均为 深圳市PA捕鱼科技有限公司-220v转12v|220v转5v|电源模块|升降压芯片 原创,转载请注明出处和附带本文链接

    深圳市PA捕鱼科技提供:220v转12v、220v转5v芯片、电源模块、 升降压芯片、无线发射ic、PWM调光芯片、收音ic及电路图,专业 的DCDC电源方案商,如需咨询请联系深圳市PA捕鱼电子

    在线
    客服

    在线客服服务时间:9:00-22:00

    技术
    热线

    131-4842-9910
    7*12小时客服服务热线

    顶部
    PA捕鱼



  • 网站地图