0755-33653221
欢迎光临深圳市PA捕鱼科技官网

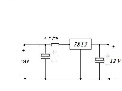
深圳市PA捕鱼科技有限公司-220v转12v|220v转5v|电源模块|升降压芯片

在线
客服

在线客服服务时间:9:00-22:00

技术
热线

131-4842-9910
7*12小时客服服务热线

顶部
当前位置:网站首页 深圳PA捕鱼科技 第47页 深圳PA捕鱼科技 第47页
深圳市PA捕鱼科技提供:220v转12v、220v转5v芯片、电源模块、 升降压芯片、无线发射ic、PWM调光芯片、收音ic及电路图,专业 的DCDC电源方案商,如需咨询请联系深圳市PA捕鱼电子

在线
客服

在线客服服务时间:9:00-22:00

技术
热线

131-4842-9910
7*12小时客服服务热线

顶部
PA捕鱼



  • 网站地图